Product Summary
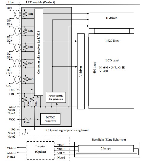
The NL6448BC26-08D is a TFT color LCD module. It is composed of the amorphous silicon thin film transistor liquid crystal display panel structure with driver LSIs for driving the TFT array and a backlight. The applications of the NL6448BC26-08D include industrial use.
Parametrics
NL6448BC26-08D absolute maximum ratings: (1)Power supply voltage, VCC: -0.3 to +4.0V; Lamp voltage, VBLH: 1700Vrms; (2)Input voltage for signals, VD, VF: -0.3 to VCC+0.3V; (3)Storage temperature, Tst: -20 to +80℃; (4)Operating temperature, Front surface, TopF: -10 to +70℃; Rear suface, TopR: -10 to +70℃.
Features
NL6448BC26-08D features: (1)Wide color gamut; (2)High contrast; (3)Ultra wide viewing angle; (4)LVDS interface; (5)Reversible-scan direction; (6)Edge light type; (7)Replaceable lamp for backlight; (8)Selectable 8bit for 6bit digital signals for data of RGB; (9)Acquisition product for UL60950.
Diagrams

![]() |
![]() NL6448AC20-06 |
![]() Other |
![]() |
![]() Data Sheet |
![]() Negotiable |
|
||||
![]() |
![]() NL6448AC20-08 |
![]() Other |
![]() |
![]() Data Sheet |
![]() Negotiable |
|
||||
![]() |
![]() NL6448AC33-18A |
![]() Other |
![]() |
![]() Data Sheet |
![]() Negotiable |
|
||||
![]() |
![]() NL6448AC33-29 |
![]() Other |
![]() |
![]() Data Sheet |
![]() Negotiable |
|
||||
![]() |
![]() NL6448BC20-08 |
![]() Other |
![]() |
![]() Data Sheet |
![]() Negotiable |
|
||||
![]() |
![]() NL6448BC33-31 |
![]() Other |
![]() |
![]() Data Sheet |
![]() Negotiable |
|
||||
(China (Mainland))








