Product Summary
The LQ121S1LG61 is a color TFT-LCD module(FA/POS/Measuring instruments).
Parametrics
LQ121S1LG61 absolute maximum ratings: (1)+3.3V/5.0V supply voltage: o to +6.0V; (2)Input voltage: -0.3 to Vcc+0.3V, -0.3 to 3.3V; (3)Lamp input voltage: 1800 Vramp; (4)Storage temperature: -30 to +80 ℃; (5)Operating temperature: -30 to +80 ℃.
Features
LQ121S1LG61 specifications: (1)Display size: 31 diagonal cm; (2)Active area: 246(H)×184.5(V); (3)Pixel format: 800H ×600(V) pixel; (4)Number of colors: 262,144 colors; (5)Pixel pitch: 0.3075 (H)×0.3075(V); (6)Pixel configuration: R,G,B vertical stripe; (7)Display mode: normally white; (8)Mass: max. 800; (9)Surface treatment: Anti-glare and hard-coating 3H.
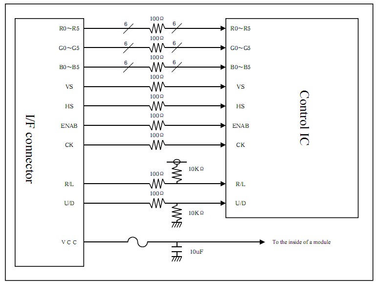
Diagrams

| Image | Part No | Mfg | Description | ![]() |
Pricing (USD) |
Quantity | ||||||||
|---|---|---|---|---|---|---|---|---|---|---|---|---|---|---|
![]() |
![]() LQ121S1LG61 |
![]() Sharp Microelectronics |
![]() TFT Displays & Accessories 12.1" SVGA STRONG 2 |
![]() Data Sheet |
![]() Negotiable |
|
||||||||
| Image | Part No | Mfg | Description | ![]() |
Pricing (USD) |
Quantity | ||||||||
![]() |
![]() LQ121K1LG11 |
![]() Sharp Microelectronics |
![]() TFT Displays & Accessories |
![]() Data Sheet |
![]() Negotiable |
|
||||||||
![]() |
![]() LQ121K1LG52 |
![]() Sharp Microelectronics |
![]() TFT Displays & Accessories 12.1" WXGA 1280x800 LED Backlight |
![]() Data Sheet |
![]()
|
|
||||||||
![]() |
![]() LQ121S1DC71 |
![]() Sharp Microelectronics |
![]() TFT Displays & Accessories 12.1" TFT SVGA 800x600 800nit |
![]() Data Sheet |
![]()
|
|
||||||||
![]() |
![]() LQ121S1DG11 |
![]() Other |
![]() |
![]() Data Sheet |
![]() Negotiable |
|
||||||||
![]() |
![]() LQ121S1DG21 |
![]() Other |
![]() |
![]() Data Sheet |
![]() Negotiable |
|
||||||||
![]() |
![]() LQ121S1DG31 |
![]() Other |
![]() |
![]() Data Sheet |
![]() Negotiable |
|
||||||||
(China (Mainland))










