Product Summary
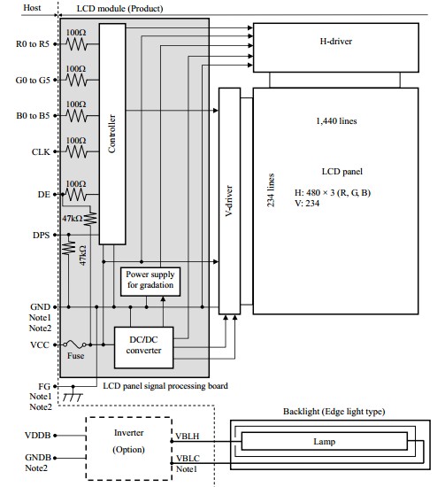
The NL4823BC37-05 is a TFT color LCD module. It is composed of the amorphous silicon thin film transistor liquid crystal display panel structure with driver LSIs for driving the TFT array and a backlight. The applications of the NL4823BC37-05 include industrial use.
Parametrics
NL4823BC37-05 absolute maximum ratings: (1)Power supply voltage, VCC: -0.3 to +6.5V; (2)Input voltage for signals, VD, VF: -0.3 to VCC+0.3V; (3)Backlight, Power dissipation, PD: 1.1W; (4)Storage temperature, Tst: -30 to +80℃; (5)Operating temperature, Front surface, TopF: -20 to +70℃; Rear suface, TopR: -20 to +70℃.
Features
NL4823BC37-05 features: (1)High luminance; (2)High contrast; (3)Wide viewing angle; (4)Wide temperature range; (5)6-bit digital RGB signals; (6)Reversible-scan direction; (7)Edge light type; (8)Replaceable lamp for backlight.
Diagrams

(China (Mainland))






