Product Summary
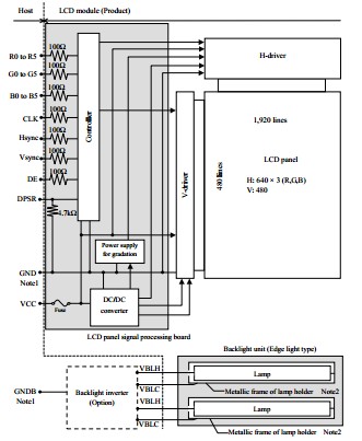
The NL6448BC26-03 is a LCD module which is composed of the amorphous silicon thin film transistor LCD panel structure with driver LSIs for driving the TFT array and a backlight. The applications of the NL6448BC26-03 include display terminal for control system, industrial PC.
Parametrics
NL6448BC26-03 absolute maximum ratings: (1)Power supply voltage, VCC: -0.3 to +6.5V; VBLH: 1800Vrms; VBLC: 42.4Vrms; (2)Input voltage for signals, VD: -0.3 to VCC+0.3V; VF: -0.3 to VCC+0.3V; (3)Storage temprature, Tst: -20 to +70℃; (4)Operating temperature, Front surface, TopF: 0 to +60℃; Rear surface, TopR: 0 to +60℃; (5)Relative humidity, RH: ≤95/85/70%.
Features
NL6448BC26-03 features: (1)High luminance; (2)Wide viewing angle; (3)6-bit digital RGB signals; (4)Reversible-scan direction; (5)Edge light type; (6)Replaceable lamp for backlight unit; (7)Suitable for setting in the portrait position.
Diagrams

![]() |
![]() NL6448AC20-06 |
![]() Other |
![]() |
![]() Data Sheet |
![]() Negotiable |
|
||||
![]() |
![]() NL6448AC20-08 |
![]() Other |
![]() |
![]() Data Sheet |
![]() Negotiable |
|
||||
![]() |
![]() NL6448AC33-18A |
![]() Other |
![]() |
![]() Data Sheet |
![]() Negotiable |
|
||||
![]() |
![]() NL6448AC33-29 |
![]() Other |
![]() |
![]() Data Sheet |
![]() Negotiable |
|
||||
![]() |
![]() NL6448BC20-08 |
![]() Other |
![]() |
![]() Data Sheet |
![]() Negotiable |
|
||||
![]() |
![]() NL6448BC33-31 |
![]() Other |
![]() |
![]() Data Sheet |
![]() Negotiable |
|
||||
(China (Mainland))








