Product Summary
The LMG5278XUFC-00T is a 640*480 STN LCD Panel. Its power supply for logic range from 0 to 6.5 V. The power supply for lc drive is from 0 to 27.5 V.
Parametrics
Absolute maximum ratings: (1)power supply for logic, VDD-VSS: 0 to 6.5 V; (2)power supply for lc drive, VDD-VEE: 0 to 27.5 V; (3)input voltage, Vi: -0.3 to VDD+0.3 V ; (4)input current, Ii: 0 to 1 A; (5)ambient temperature: operating: 0℃ to 45℃ ; storage: -25℃ to 60℃ ; (6)vibration: operating: 9.8m/s2 max (1.0G); storage: 11.76m/s2 max (1.2G); (7)SHOCK: operating: 490m/s2 max (50G); storage:490m/s2 max (50G).
Features
Specifcations: (1)Module size: 257.5(W)mm*174.0(H)mm*7.0(D)mm max.; (2)Dot sizE: 0.27 (W)mm*0.27 (H)mm; (3)Dot pitch: 0.30 (W)mm*0.30 (H)mm; (4)Number of dots: 640 (W) * 480 (H)DOTS; (5)DUTY: 1/242 (display is divided into 2 blocks); (6)LCD: film type black/white (negative type); (7)Viewing direction: 12 OCLOCK; (8)Back light: cold cathode fluorescent lamp.
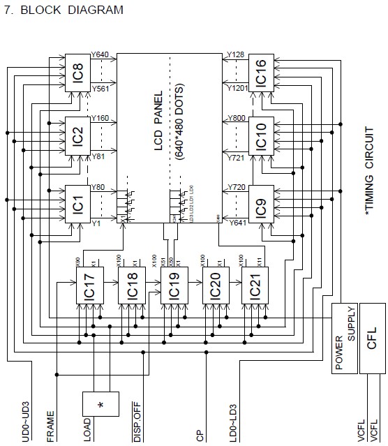
Diagrams

(China (Mainland))






