Product Summary
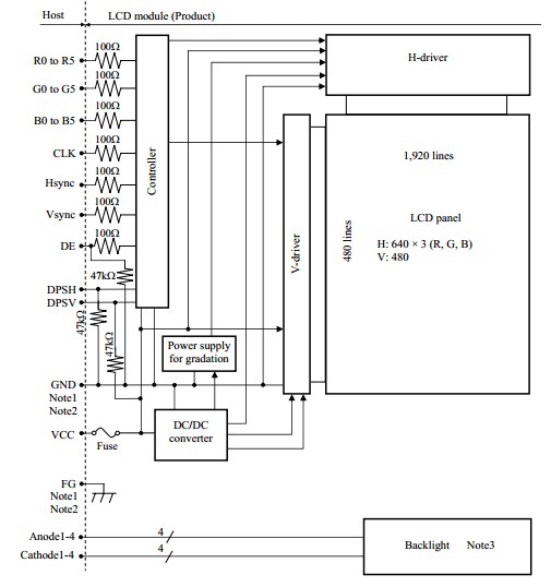
The NL6448BC18-01F is a TFT color LCD module. It is composed of the amorphous silicon thin film transistor liquid crystal display panel structure with driver LSIs for driving the TFT array and a backlight. The applications of the NL6448BC18-01F include industrial use.
Parametrics
NL6448BC18-01F absolute maximum ratings: (1)Power supply voltage, VCC: -0.3 to +6.5V; (2)Input voltage for signals, VD, VF: -0.3 to VCC+0.3V; (3)Backlight, Power dissipation, PD: 1.1W; (4)Storage temperature, Tst: -30 to +80℃; (5)Operating temperature, Front surface, TopF: -30 to +80℃; Rear suface, TopR: -30 to +80℃.
Features
NL6448BC18-01F features: (1)High luminance; (2)High contrast; (3)Wide viewing angle; (4)Wide temperature range; (5)6-bit digital RGB signals; (6)Reversible-scan direction; (7)LED backlight type; (8)Replaceable LED holder for backlight.
Diagrams

![]() |
![]() NL6448AC20-06 |
![]() Other |
![]() |
![]() Data Sheet |
![]() Negotiable |
|
||||
![]() |
![]() NL6448AC20-08 |
![]() Other |
![]() |
![]() Data Sheet |
![]() Negotiable |
|
||||
![]() |
![]() NL6448AC33-18A |
![]() Other |
![]() |
![]() Data Sheet |
![]() Negotiable |
|
||||
![]() |
![]() NL6448AC33-29 |
![]() Other |
![]() |
![]() Data Sheet |
![]() Negotiable |
|
||||
![]() |
![]() NL6448BC20-08 |
![]() Other |
![]() |
![]() Data Sheet |
![]() Negotiable |
|
||||
![]() |
![]() NL6448BC33-31 |
![]() Other |
![]() |
![]() Data Sheet |
![]() Negotiable |
|
||||
(China (Mainland))








