Product Summary
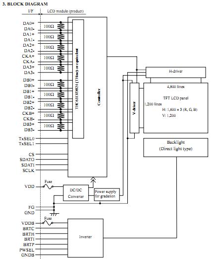
The NL160120AC27-05 is a Color LCD module composed of the amorphous silicon thin film transistor liquid crystal display (a-Si TFT LCD) panel structure with driver LSIs for driving the TFT (Thin Film Transistor) array and a backlight. The NL160120AC27-05 a-Si TFT LCD panel structure is injected liquid crystal material into a narrow gap between the TFT array glass substrate and a color-filter glass substrate. Color (Red, Green, Blue) data signals from a host system (e.g. signal generator, etc.) are modulated into best form for active matrix system by a signal processing board, and sent to the driver LSIs which drive the individual TFT arrays. The NL160120AC27-05 TFT array as an electro-optical switch regulates the amount of transmitted light from the backlight assembly, when it is controlled by data signals. Color images are created by regulating the amount of transmitted light through the TFT array of red, green and blue dots.
Parametrics
NL160120AC27-05 absolute maximum ratings: (1)Power supply voltage, LCD panel signal processing board, VDD: -0.3 to +14.0 V; Inverter, VDDB: -0.3 to +15.0 V; (2)Input voltage for signals, LCD panel signal processing board, Vi: -0.3 to +2.8 V; Inverter, BRTI signal, VBI: -0.3 to +1.5 V; BRTP signal, VBP: -0.3 to +5.5 V ; BRTC signal, VBC: -0.3 to +5.5 V; PWSEL signal, VBS: -0.3 to +5.5 V; (3)Storage temperature, Tst: -20 to +60℃; (4)Operating temperature, Front surface, TopF: 0 to +55℃; Rear surface, TopR: 0 to + 60℃; (5)Relative humidity, RH: ≤ 70%; (6)Absolute humidity, AH: ≤ 73g/m3; (7)Operating altitude: ≤ 4,850m; (8)Storage altitude: ≤ 13,600m.
Features
NL160120AC27-05 features: (1)Ultra-wide viewing angle (Adoption of Super-Advanced Super Fine TFT (SA-SFT)); (2)High luminance; (3)Wide color gamut; (4)High resolution; (5)LVDS interface; (6)Adjustable gamma characteristics by using built-in 10-bit LUT (look up table); (7)Selectable LVDS data input map; (8)Small foot print; (9)Incorporated direct light type backlight with inverter; (10)Replaceable inverter.
Diagrams

(China (Mainland))






