Product Summary
The KCS057QV1AJ-G20 is a STN color dot matrix type LCD with CFL backlight.
Parametrics
KCS057QV1AJ-G20 absolute maximum ratings: (1)Supply voltage for logic, VDD: 7.0V; (2)Supply voltage for LCD driving, VEE: 44.0V; (3)Input voltage, Vin: VDD V; (4)Operating temperature, Top: 60℃; (5)Storage temperature, TSTO: 60℃.
Features
KCS057QV1AJ-G20 characteristics: (1)Supply voltage for logic, VDD: 5.25V; (2)LCD driving voltage, Vop=VEE, 25℃: 26.1V; (3)Input voltage ,Vin: "H" level: VDD V; "L" level: 0.2VDD V; (4)Clock frequency, fcp: 12.0MHz; (5)Frame frequency, fFRM: 80Hz; (6)Current consumption for logic, IDD: 4.5mA; (7)Current consumption for LCD driving, IEE: 11.3mA; (8)Power consumption, Pdisp: 282mW.
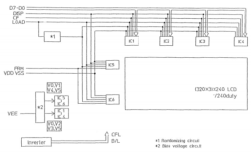
Diagrams

(China (Mainland))






