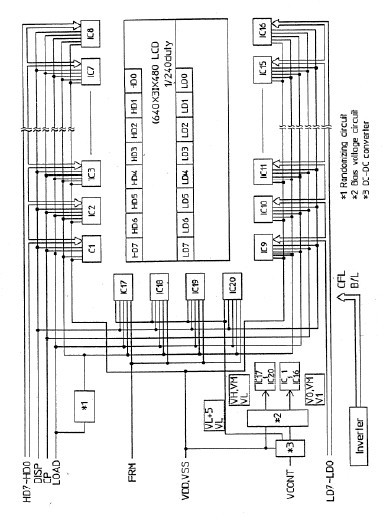
Product Summary
The KCB104VG2BA-A21 is an LCD display module for audio, office automation, industrial applications and game machines.
Parametrics
KCB104VG2BA-A21 absolute maximum ratings: (1)Supply volatge for logic: 0 to 6V; (2)Supply voltage for LCD driving: 0 to VDD V; (3)Input voltage: 0 to VDD+0.3V.
Features
KCB104VG2BA-A21 features: (1)Outline dimensions: 264×183×8.5mm; (2)Effective viewing area: 215.07×162.27mm; (3)Dot size: 0.09×0.31mm; (4)Dot pitch: 0.11×0.33mm; (5)Display color: White; (6)Base color: Black; (7)Weight: 540g.
Diagrams

(China (Mainland))






