Product Summary
The DMF50840 is a LCD Module.
Parametrics
DMF50840 absolute maximum ratings: (1)Supply Voltage (Logic), VCC-VSS: -0.3 to 7.0 V; (2)Supply Voltage (LCD Drive), VCC-VEE: 0 to 35.0 V; (3)Input Voltage, VI: -0.3 to VCC+0.3 V.
Features
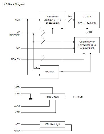
DMF50840 features: (1)Operating Temp: min. 0℃ ~ max. 50℃; (2)Storage Temp: min. -20℃ ~ max. 60℃; (3)Dot Pixels: 320 (W) × 240 (H) dots; (4)Dot Size: 0.33 (W) × 0.33 (H) mm; (5)Dot Pitch: 0.36 (W) × 0.36 (H) mm; (6)Viewing Area: 120.0 (W) × 90.0 (H) mm; (7)Weight: 230g max; (8)LCD Type: NSD-15885; (9)( F-STN / Black &White-mode / Transflective ); (10)Viewing Angle: 9:00; (11)Data Transfer: 4-bit parallel data transfer; (12)Backlight: Cold Cathode Fluorescent Lamp (CFL) × 1; (13)Drawings: Dimensional Outline UE-300149.
Diagrams

![]() |
![]() DMF5001NY-LY |
![]() Other |
![]() |
![]() Data Sheet |
![]() Negotiable |
|
||||
![]() |
![]() DMF5005NF-SEW-BBE-CQ |
![]() Other |
![]() |
![]() Data Sheet |
![]() Negotiable |
|
||||
![]() |
![]() DMF5010NF-FW |
![]() Other |
![]() |
![]() Data Sheet |
![]() Negotiable |
|
||||
(China (Mainland))








