Product Summary
The TCG057QV1AA-G00 is an amorphous silicon TFT transmissive color dot matrix type LCD with CFL backlight.
Parametrics
TCG057QV1AA-G00 absolute maximum ratings: (1)Power input voltage, VDD: 4.0V; (2)Input signal voltage, Vin: 6.0V; (3)Operating temperature, Top: 70℃; (4)Storage temperature, Tsto: 80℃.
Features
TCG057QV1AA-G00 characteristics: (1)Power input voltage, VDD: 3.6V; (2)Current consumption, IDD: 160mA; (3)Permissive input ripple voltage, VRP: 100mVp-p; (4)Input signal voltage(Low): 0.2VDD V; (5)Input signal voltage(High), VIN: VDD V.
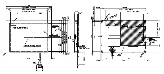
Diagrams

(China (Mainland))






