Product Summary
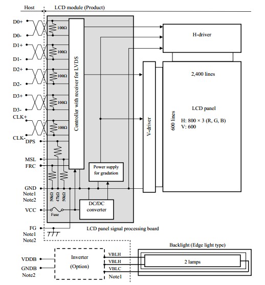
The NL8060BC26-28 is a TFT color LCD module. It is composed of the amorphous silicon thin film transistor liquid crystal display panel structure with driver LSIs for driving the TFT array and a backlight. The applications of the NL8060BC26-28 include industrial use.
Parametrics
NL8060BC26-28 absolute maximum ratings: (1)Power supply voltage, VCC: -0.3 to +4.0V; Lamp voltage, VBLH: 2000Vrms; (2)Input voltage for signals, VD, VF: -0.3 to VCC+0.3V; (3)Storage temperature, Tst: -20 to +80℃; (4)Operating temperature, Front surface, TopF: -10 to +70℃; Rear suface, TopR: -10 to +70℃.
Features
NL8060BC26-28 features: (1)High luminance; (2)High contrast; (3)Ultra wide viewing angle; (4)Wide temperature range; (5)LVDS interface; (6)Reversible-scan direction; (7)Edge light type; (8)Replaceable lamp for backlight; (9)Selectable 8bit for 6bit digital signals for data of RGB; (10)Compliance with the European RoHS directive.
Diagrams

![]() |
![]() NL8060BC26-17 |
![]() Other |
![]() |
![]() Data Sheet |
![]() Negotiable |
|
||||
![]() |
![]() NL8060BC31-17 |
![]() Other |
![]() |
![]() Data Sheet |
![]() Negotiable |
|
||||
(China (Mainland))








