Product Summary
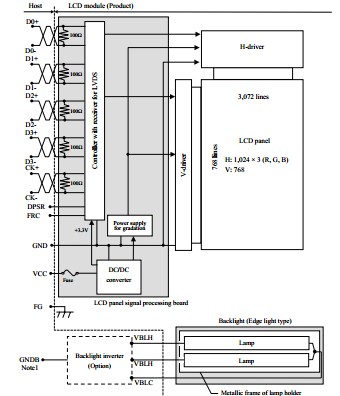
The NL10276BC24-13 is a LCD module which is composed of the amorphous silicon thin film transistor LCD panel structure with driver LSIs for driving the TFT array and a backlight. The applications of the NL10276BC24-13 include display terminal for control system.
Parametrics
NL10276BC24-13 absolute maximum ratings: (1)Power supply voltage, VCC: -0.3 to +4.0V; VBLH: 1800Vrms; (2)Input voltage for signals, VD: -0.3 to VCC+0.3V; VF: -0.3 to VCC+0.3V; (3)Storage temprature, Tst: -20 to +80℃; (4)Operating temperature, Front surface, TopF: -10 to +70℃; Rear surface, TopR: -10 to +70℃; (5)Relative humidity, RH: ≤95/85%.
Features
NL10276BC24-13 features: (1)High resolution; (2)High luminance; (3)High contrast; (4)Wide temperature range; (5)LVDS interface; (6)Reversible-scan direction; (7)Selectable 8bit or 6bit digital signals for data of RGB; (8)Edge light type; (9)Replaceable lamp for backlight.
Diagrams

![]() |
![]() NL100 |
![]() |
![]() KIT RACKMOUNT FOR ZUP SER DC PWR |
![]() Data Sheet |
![]()
|
|
||||||
![]() |
![]() NL101 |
![]() |
![]() BLANK PANEL USE WITH ZUP SERIES |
![]() Data Sheet |
![]()
|
|
||||||
![]() |
![]() NL10276AC28-01L |
![]() Other |
![]() |
![]() Data Sheet |
![]() Negotiable |
|
||||||
![]() |
![]() NL10276AC28-02L |
![]() Other |
![]() |
![]() Data Sheet |
![]() Negotiable |
|
||||||
![]() |
![]() NL10276AC30-01A |
![]() Other |
![]() |
![]() Data Sheet |
![]() Negotiable |
|
||||||
![]() |
![]() NL10276AC30-03 |
![]() Other |
![]() |
![]() Data Sheet |
![]() Negotiable |
|
||||||
(China (Mainland))








